產品別名磁選機
處理能力200-1000kg/h
總重量1-20t
【應用領域】沙石場、煤炭行業、化工行業、選礦行業、垃圾處理廠
【適用物料】鐵礦石,赤鐵礦,磁黃鐵礦,褐鐵礦,銅礦石等物料
7*24小時免費咨詢熱線
1810384699960秒級人工響應
30分內給予答復
24小時免費提供方案
永磁筒式磁選機根據其磁場強度、磁系排列、簡體結構的不同,廣泛用于磁鐵礦分選、粗粒預選拋尾、過濾前濃縮、磁性加重劑回收、濕式強磁選給礦預選以及石英砂等非金屬礦物除鐵提純等。永磁筒式磁選機由磁系、圓簡、分選槽、傳動裝置以及給料、排料各溢流裝置組成。磁系排列和磁極數量對分選結果有決定性影響。根據簡徑大小,磁極一般為4~7極,極性沿周邊方向交替。圓簡用來吸附和運送磁性顆粒并防止礦漿浸入磁系。圓簡及其端蓋用非磁性,高電阻率和耐腐蝕材料制造。分選槽一般用奧氏體不銹鋼制造,用橡膠或合成材料作內襯,以防止磨損。一般用齒輪電動機或Y系列電動機通過減速機驅動圓筒旋轉。
對礦石漿槽罐后,把水噴下的礦物顆粒的入柜的影響,礦井水管道是一個松散的狀態。在磁場的作用,磁性水雷磁性粒子發生聚集,形成“磁組”或“磁鏈”,“磁組”或“磁鏈在紙漿作用”磁力的磁極運動,這些吸附在錫林上的。作為沿圓筒旋轉方向交替排列的磁極性,并在固定的工作和“磁組”或“磁鏈”隨著滾筒轉速,由于磁選機交替從現象產生的電磁攪拌磁極,好壞參半在“磁組”或翻轉“磁鏈”中的煤矸石和其他非磁性礦物向下的起飛,并使終被吸在汽缸內表面的“磁集團”或“磁蓮花”,即集中。磁系統集中到在邊緣磁力較弱的缸,在卸礦排氣管,磁選機并根據洗滌水的集中行動卸載。無磁或弱磁性礦物剩下的燃料箱外排出的紙漿,這是尾礦。
通常采用鍶鐵氧體和鋇鐵氧體永磁材料制成磁塊,現已開始采用稀土永磁材料如釹鐵硼磁鋼制成磁塊,雖然后者價格較高,但是磁性能極佳,用量可減少。目前常用鐵氧體水磁塊和稀土永磁塊組成復合磁系,這樣便顯著提高了磁選機性能(如磁場強度提高一倍以上),擴大了磁選機的適用范圍。近年來,又采用稀土永磁塊組成磁系,達到了更高的磁場強度和性能。

磁選系統采用優質鐵氧體材料或與稀土永磁材料提出,磁鼓表的平均強度為100-600mT。根據用戶磁選機需求,提供下游,半逆流,逆流型等多種不同形式的強磁選。

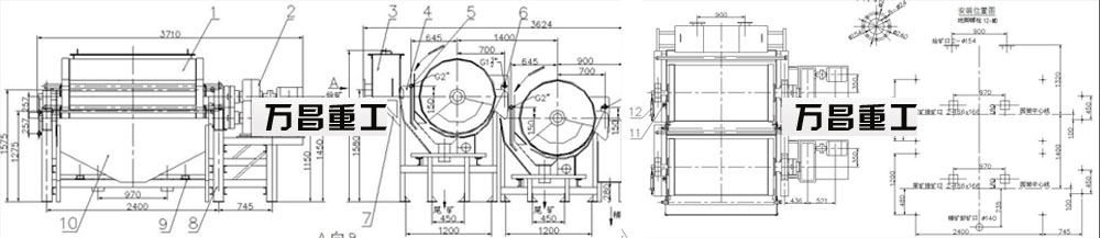
磁選機 / 結構組成
1、槽體:按照槽體的結構型式不同,磁選機分為順流式、逆流式、半逆流式三種。槽體包括依次連接的給礦槽、進料區和返料區三個部分。
2、磁系:磁選機磁系可分為開放磁系和閉合磁系兩種。其中開放磁系的磁極在同一側相鄰配置,且磁極間無磁介質,空氣隙大,磁力線處于開放狀態空間內,故稱開放磁系;而閉合磁系的磁極相對配置,極間空氣隙小,磁力線處于封閉的狹小空間內,故稱閉合磁系。

3、轉環:轉環通過傳動裝置帶動主軸、連接套進行立式順時針旋轉。由于轉環立式旋轉,給礦中如果有粗顆粒不能穿過磁介質堆,一般會停留在轉環內圓周,當磁介質堆轉到頂部時,粗顆粒位于磁介質的下部,容易被精礦沖洗水沖入精礦斗中。

技術參數:
| 型號 | 筒徑(mm) | 筒長(mm) | 圓筒轉速(r/min) | 給料粒度(mm) | 處理量(t/h) | 功率(kw) |
| CTB6012 | 600 | 1200 | <35><!--35--><!--35--> | 2-0 | 10-20 | 1.5 |
| CTB6018 | 600 | 1800 | <35><!--35--><!--35--> | 2-0 | 15-30 | 2.2 |
| CTB7518 | 750 | 1800 | <35><!--35--><!--35--> | 2-0 | 20-45 | 2.2 |
| CTB9018 | 900 | 1800 | <35><!--35--><!--35--> | 3-0 | 40-60 | 3 |
| CTB9021 | 900 | 2100 | <35><!--35--><!--35--> | 3-0 | 45-60 | 3 |
| CTB9024 | 900 | 2400 | <28><!--28--><!--28--> | 3-0 | 45-70 | 4 |
| CTB1018 | 1050 | 1800 | <20><!--20--><!--20--> | 3-0 | 50-75 | 5.5 |
| CTB1021 | 1050 | 2100 | <20><!--20--><!--20--> | 3-0 | 50-100 | 5.5 |
| CTB1024 | 1050 | 2400 | <20><!--20--><!--20--> | 3-0 | 60-120 | 5.5 |
| CTB1218 | 1200 | 1800 | <18><!--18--><!--18--> | 3-0 | 80-140 | 5.5 |
| CTB1224 | 1200 | 2400 | <18><!--18--><!--18--> | 3-0 | 85-180 | 7.5 |
| CTB1230 | 1200 | 3000 | <18><!--18--><!--18--> | 3-0 | 100-180 | 7.5 |
| CTB1530 | 1500 | 3000 | <14><!--14--><!--14--> | 3-0 | 170-280 | 11 |
為客戶創造價值是萬昌重工始終如一的堅持,以客戶需求為導向,讓客戶滿意是我們努力堅持的意義所在。365天全天候的為您提供完善的售后服務,助力客戶成功是我們不變的目標,愿成為您事業上的良師益友,彼此成就。
多年回收機械研發制造經驗
省時省力經濟效益高
節能環保符合國家規定
積極開拓智能化時代
健全的售后服務系統